アマチュア無線局の世界


■アマチュア無線局の楽しさ&やりがい&同じ趣味仲間とのふれ合いについて。

[日本アマチュア無線連盟]


作者のモービルシャック

★作者の交信証(QSL)の紹介













[日本アマチュア無線連盟のマーク]

インターネットも楽しいですが、アマチュア無線も、同じくらい楽しい世界です。


アメリカの女性ハムです。 ハムは、世界中にお友達ができます(^o^)

ハムの世界、こんな楽しい事はありませんね(笑)


 
アマチュア無線の世界を知らない人のために、
 
下記画像で、楽しみ方を紹介します。
 
携帯電話では、味わえられない楽しい「通信の遊び」です(^o^)
 
色々ある趣味の中でも、「 King of Hobby 」と呼ばれています。
 
そして、国内はおろか、世界中のアマチュア無線家と話が出来ます(^o^)

最近は、
 
アマチュア無線の無線従事者免許証は、講習で、取得する事が出来る様になりました。
 
従事者免許を取れば、自分の「コールサイン」が総合通信局(総務省)から認可されます。

ハムの世界



(一般財団法人)日本アマチュア無線振興協会ホームページより引用


■南極昭和基地のアマチュア無線局、8J1RL局。


南極昭和基地(南極HPより引用画像)


南極昭和基地内のアマチュア無線局、
8J1RL局のアンテナ
(4エレメントHF帯短縮八木アンテナ)
(南極HPより引用画像)

過去において、イギリス、アメリカとは交信した事はありますが、南極は、

未経験ゾーンです。


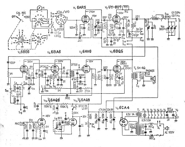
当時の送信機(JA7の某アマチュア局の作品)


807シングルTXの配線図(当時は、設計から組み立てまで、全部自作です。)

当時の当局のものは、無線機器類&アンテナ共全て

手元にはありません(泣)

今思うに、全部保存しておけば良かったと悔やんでいます。

当時のハムは、90%以上が自作でした。

送信機の終段管は、「UY807」「6146」「S2001」

「2E26」が主流でした。

変調方式は、プレートスクリーン同時変調のAM(振幅変調)が主流でした。

今は、A3j(SSB)変調が主流です。

現在の日本のハム人口は、334万人います。

ペーパーライセンス者も数多くいます。携帯電話の普及のためです(大笑)

東北震災の時は、携帯電話は一週間程つながりませんでした。

この時、ハムをやっていたおかげで、命が助かった人もおります(^o^)

又、地元のハムは、緊急発進をして、被災者救出に大活躍しました(^o^)

道楽だけでなく、こんな社会的貢献も出来るのが、「ハム」です(^o^)

JARL((社団法人)日本アマチュア無線連盟)の会員は、約7万人です。

QSLカード(交信証)交換をやっているハムです(^o^)


ST真空管 UY807(送信管)

当時(昭和30年度、40年度代)最も人気のあった送信管です。

[807シングルの送信機の配線図]




当時作者が一番気に入っていたトランシーバーです。
昭和50年頃使用していたリグです。
手放してしまったのが、今になって後悔しています(笑)


■電波の飛び方











上図は、GPアンテナの電波の飛ぶ距離の計算式です。

・アンテナの種類により、電波の打ち上げ角度が違うため、アンテナにより伝播距離が違います。

[ここで計算して下さい]

★今の一般的なDXハム(海外通信)の交信状況

[ 外国ハムの交信模様 ]
 
[ 外国の小型ハンディー機による遠距離通信の模様 ]
 
[ 海外通信の様子1(7MHz帯)]
 
[ 海外通信の様子2(7MHz帯)]
 
[ 移動局によるCW交信模様 ]
 
[ アマチュア無線CWのコンテスト模様 ]
 
[ 世界のコールサイン割り当て一覧 ]